In quanto prodotto rappresentativo della Yueqing Tongda Wire Electric Factory che incarna l'integrazione della standardizzazione e della personalizzazione di base, i microinterruttori per spremiagrumi, aspirapolvere, stampanti e altri dispositivi D sono progettati con i principi fondamentali di "stabilità, affidabilità e compatibilità della scena". Incorpora 35 anni di esperienza dell'azienda nella produzione di interruttori, ottenendo molteplici ottimizzazioni in termini di prestazioni elettriche, livelli di protezione ed esperienza dell'utente. L'interruttore è ampiamente applicabile a scenari quali la distribuzione dell'energia domestica intelligente, apparecchiature ausiliarie industriali e piccoli strumenti medici, rendendolo un componente di controllo del circuito preferito che bilancia l'universalità con il potenziale di personalizzazione.
MicrointerruttoreIntroduzione
Di seguito sono riportate le fasi chiave della produzione che gli acquirenti devono comprendere per valutare la qualità del prodotto:
1. Produzione di componenti: contatti e molle metallici lavorati con precisione; involucro durevole (materiali plastici/metallici).
2. Assemblaggio: assemblare accuratamente molle, contatti e attuatori per evitare di compromettere le prestazioni.
3. Test: test rigorosi (migliaia di test di stampa, test di continuità elettrica) per garantire l'affidabilità.
4. Imballaggio: imballaggio protettivo per un facile trasporto, con chiara etichettatura delle specifiche.
MicrointerruttoreApplicazione
I microinterruttori sono ampiamente utilizzati e affidabili nelle prestazioni, applicati principalmente in:
- Elettrodomestici: luci del frigorifero, serrature delle porte del forno a microonde, interruttori del coperchio della lavatrice e timer del tostapane.
- Attrezzature industriali: modelli pesanti adatti per nastri trasportatori, macchinari e pannelli di controllo (resistenti alla polvere e all'umidità).
- Settore automobilistico: tergicristalli, indicatori di porta socchiusa - in grado di resistere a vibrazioni e temperature estreme.
- Dispositivi elettronici: interruttori miniaturizzati per telecomandi e controller di gioco (reattivi e di lunga durata).
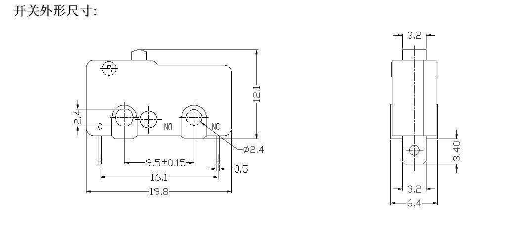
Microinterruttore Specifica
| Caratteristiche Tecniche dell'Interruttore: | |||
| ARTICOLO | Parametro tecnico | Valore | |
| 1 | Valutazione elettrica | 5(2)A 125 V/250 V CA 10(3)125 V/250 V CA | |
| 2 | Resistenza di contatto | ≤50mΩ Valore iniziale | |
| 3 | Resistenza di isolamento | ≥100 MΩ (500 V CC) | |
| 4 |
Dielettrico Voltaggio |
Fra terminali non collegati |
500 V/0,5 mA/60 S |
| Tra i terminali e la struttura in metallo |
1500 V/0,5 mA/60 S | ||
| 5 | Vita elettrica | ≥10000 cicli | |
| 6 | Vita meccanica | ≥100000 cicli | |
| 7 | Temperatura operativa | -25~125℃ | |
| 8 | Frequenza operativa | Elettrico: 15 cicli Meccanico: 60 cicli |
|
| 9 | A prova di vibrazioni | Frequenza di vibrazione: 10 ~ 55 HZ; Ampiezza: 1,5 mm; Tre direzioni: 1H |
|
| 10 | Abilità di saldatura: Oltre l'80% di parte immersa saranno ricoperti di saldatura |
Temperatura di saldatura: 235±5℃ Tempo di immersione: 2~3S |
|
| 11 | Resistenza al calore della saldatura | Saldatura a immersione: 260±5℃ 5±1S Saldatura manuale: 300±5℃ 2~3S |
|
| 12 | Approvazioni di sicurezza | UL, CSA, VDE, ENEC, CE | |
| 13 | Condizioni di prova | Temperatura ambiente: 20±5℃ Umidità relativa: 65±5%RH Pressione dell'aria: 86~106KPa |
|
Filo elettrico Tongda Interruttore di alimentazione in linea micro USB Dettagli


