Come modello di riferimento della serie di microinterruttori della Yueqing Tongda Wire Electric Factory, il microinterruttore di corrente ad alta temperatura 16A 250V HK-14 presenta "alta sensibilità, durata ultra lunga e adattabilità multi-scenario" come vantaggi principali. Integrando i 35 anni di esperienza dell'azienda nella produzione di interruttori, è diventato un componente di controllo chiave negli elettrodomestici, nell'elettronica automobilistica, nell'automazione industriale e in altri campi, grazie alla distanza minima dei contatti e al meccanismo di azione rapida. Le sue prestazioni e affidabilità sono state certificate da numerose organizzazioni autorevoli in tutto il mondo, assicurando la sua posizione principale nel mercato di nicchia.
Introduzione al microinterruttore
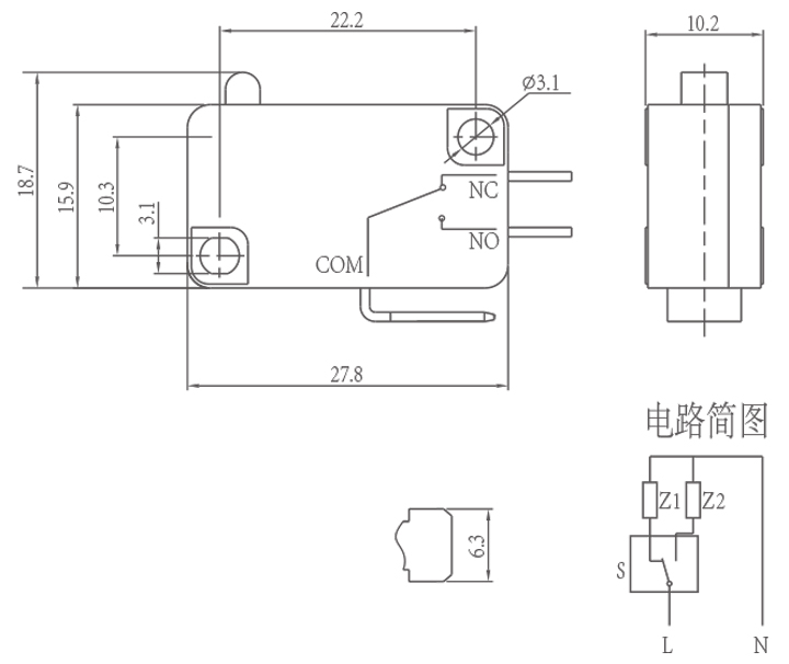
La serie HK-14 offre opzioni di personalizzazione altamente flessibili per soddisfare i requisiti di applicazioni differenziate. La forza operativa è personalizzabile (meno di 5,0 N in stato senza leva, normalmente 30±15 gf), con un intervallo di corsa operativa compreso tra 0,6 e 1,5 mm, adattandosi a vari scenari di forza di innesco e spostamento. Gli stili delle leve sono personalizzabili, comprese leve diritte, leve piegate e leve a rullo, per adattarsi a varie strutture di trasmissione meccanica. I tipi di contatti includono SPDT (1NO+1NC), NO e NC, coprendo l'intera gamma, per soddisfare i requisiti di controllo singolo, interblocco e altre esigenze di progettazione di circuiti.
Linee guida per l'installazione e l'utilizzo
Durante l'installazione, l'interruttore deve essere montato su una superficie piana e fissato con una rondella piatta o elastica per evitare malfunzionamenti o danni alla custodia causati da superfici irregolari. Scegli i modelli in base all'ambiente: per condizioni umide o polverose, si consiglia di utilizzare una versione personalizzata sigillata per migliorare la protezione. Non applicare olio lubrificante al pulsante o all'attuatore per evitare incollaggi dei contatti, guasti funzionali o addirittura bruciature. Durante lo stoccaggio, conservare il prodotto in un'area asciutta e ventilata, protetto da pioggia o neve ed evitare temperature e umidità elevate che potrebbero causare l'invecchiamento dei componenti, garantendo che il prodotto mantenga le sue prestazioni originali.
Parametro microinterruttore (specifiche)
| Caratteristiche Tecniche dell'Interruttore: | |||
| ARTICOLO | Parametro tecnico | Valore | |
| 1 | Valutazione elettrica | 5(2)A/10A/16(3)A/21(8)A 250 VCA | |
| 2 | Resistenza di contatto | ≤30mΩ Valore iniziale | |
| 3 | Resistenza di isolamento | ≥100 MΩ (500 VCC) | |
| 4 |
Dielettrico Voltaggio |
Fra terminali non collegati |
1000 V/0,5 mA/60 S |
|
Tra i terminali e la struttura in metallo |
3000 V/0,5 mA/60 S | ||
| 5 | Vita elettrica | ≥50000 cicli | |
| 6 | Vita meccanica | ≥1000000 cicli | |
| 7 | Temperatura operativa | -25~125℃ | |
| 8 | Frequenza operativa |
elettrico: 15 cicli Meccanico: 60 cicli |
|
| 9 | A prova di vibrazioni |
Frequenza di vibrazione: 10 ~ 55 HZ; Ampiezza: 1,5 mm; Tre direzioni: 1H |
|
| 10 |
Abilità di saldatura: Oltre l'80% di parte immersa saranno ricoperti di saldatura |
Temperatura di saldatura: 235±5℃ Tempo di immersione: 2~3S |
|
| 11 | Resistenza al calore della saldatura |
Saldatura a immersione: 260±5℃ 5±1S Saldatura manuale: 300±5℃ 2~3S |
|
| 12 | Approvazioni di sicurezza | UL, CSA, VDE, ENEC, TUV, CE, KC, CQC | |
| 13 | Condizioni di prova |
Temperatura ambiente: 20±5℃ Umidità relativa: 65±5%RH Pressione atmosferica: 86~106KPa |
|
Funzionalità e applicazione del microinterruttore
Dettagli del microinterruttore
