Microinterruttore di corrente di grandi dimensioni per lavatrici
Microinterruttore per friggitrice ad aria per macchina per la pulizia della lavastoviglie
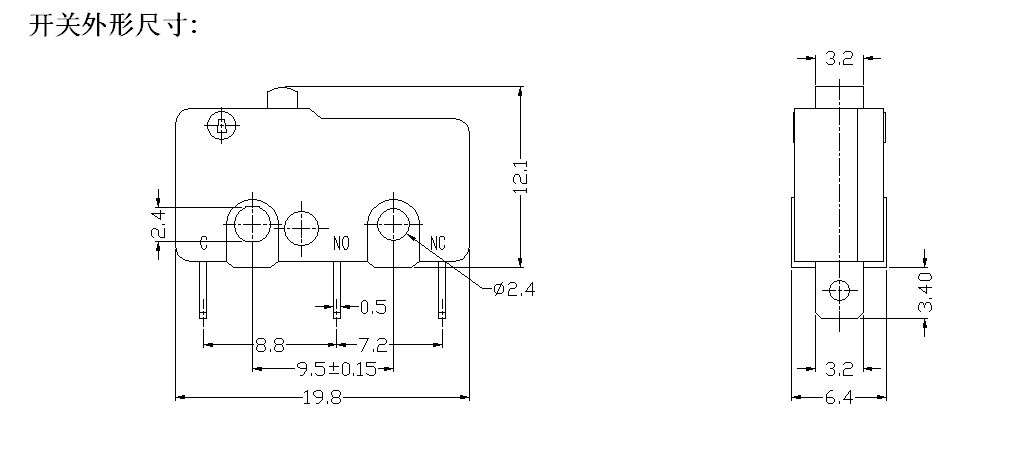
Interruttore normalmente chiuso a 2 pin con ripristino del limite di corsa da 16 A 250 V CA
Interruttore di viaggio a doppio pole indipendenteIn quanto prodotto rappresentativo della centrale elettrica via cavo Yueqing Tongda che incarna l'integrazione della standardizzazione e della personalizzazione di base, l'interruttore HK-04G-L è progettato con i principi fondamentali di "stabilità, affidabilità e compatibilità della scena". Incorpora 35 anni di esperienza dell'azienda nella produzione di interruttori, ottenendo molteplici ottimizzazioni in termini di prestazioni elettriche, livelli di protezione ed esperienza dell'utente. L'interruttore è ampiamente applicabile a scenari quali la distribuzione dell'energia domestica intelligente, apparecchiature ausiliarie industriali e piccoli strumenti medici, rendendolo un componente di controllo del circuito preferito che bilancia l'universalità con il potenziale di personalizzazione.
MicrointerruttoreIntroduzione
L'interruttore HK-04G-L si concentra sui requisiti pratici per i parametri chiave, soddisfacendo gli standard di controllo di base per vari scenari. I contatti sono realizzati in lega argento-stagno e lavorati con saldature di precisione, con resistenza di contatto iniziale ≤8mΩ. Può trasportare in modo affidabile corrente CA da 10 A-16 A (tensione nominale 250 V CA), adatta alle esigenze di alimentazione della maggior parte dei dispositivi domestici e di piccoli dispositivi industriali, prevenendo efficacemente problemi di surriscaldamento dei contatti o erosione causati dal sovraccarico di corrente.
Le prestazioni del grilletto e della durata sono ugualmente affidabili: utilizza una struttura del grilletto a bilanciere, con una corsa di pressione di 1,3-1,6 mm e una forza operativa controllata entro 1,5-3 N. Il feedback di attivazione è chiaro e fluido, rendendo improbabile che nell'uso quotidiano si verifichi una "pressione non responsiva". La durata della vita meccanica raggiunge gli 80.000 cicli di pressatura e la durata della vita elettrica supera i 50.000 cicli. Nei dispositivi ad alta frequenza come frigoriferi, piccoli ventilatori e stampanti commerciali, può raggiungere un funzionamento stabile per 3-5 anni.
L'adattabilità ambientale soddisfa i requisiti degli scenari convenzionali: il prodotto funziona in un intervallo di temperature compreso tra -30°C e 80°C, in grado di gestire le basse temperature negli inverni settentrionali e le condizioni di dissipazione del calore in estate; la resistenza di isolamento è ≥50 MΩ (500 V CC) e la resistenza alla tensione del terminale raggiunge 800 V CA, soddisfacendo gli standard elettrici di sicurezza per uso domestico e commerciale. Inoltre, l'involucro è realizzato in materiale ABS ignifugo (conforme a UL94 V-1), riducendo i rischi per la sicurezza causati dai cortocircuiti del circuito.
MicrointerruttoreApplicazione
Negli scenari domestici e domestici intelligenti, HK-04G-L, con le sue dimensioni compatte (circa 20×15×10 mm, L×P×A), può essere facilmente integrato in scatole di distribuzione intelligenti, prese a parete e pannelli di controllo di piccoli elettrodomestici. Attualmente è diventato un componente utilizzato da diversi marchi domestici di case intelligenti per funzioni quali il controllo dell'illuminazione e la commutazione dell'alimentazione degli elettrodomestici. Un marchio ha riferito che il tasso di guasto dei prodotti dotati di esso è inferiore del 40% rispetto agli switch tradizionali.
In scenari industriali e commerciali su piccola scala, il prodotto è adatto per il controllo dell'alimentazione di piccole apparecchiature di trasporto, macchine da caffè commerciali, stampanti per ufficio e altri dispositivi. Ottimizzando la struttura di connessione del terminale, supporta un'installazione rapida del cablaggio, migliorando l'efficienza dell'assemblaggio del dispositivo. In precedenza, una versione personalizzata per un produttore di elettrodomestici commerciali, regolando la spaziatura dei terminali, soddisfaceva i requisiti di cablaggio interno compatto delle proprie apparecchiature, migliorando l'efficienza dell'installazione del 25%.
Microinterruttore Specifica
| Caratteristiche Tecniche dell'Interruttore: | |||
| ARTICOLO | Parametro tecnico | Valore | |
| 1 | Valutazione elettrica | 5(2)A 125 V/250 V CA 10(3)125 V/250 V CA | |
| 2 | Resistenza di contatto | ≤50mΩ Valore iniziale | |
| 3 | Resistenza di isolamento | ≥100 MΩ (500 V CC) | |
| 4 |
Dielettrico Voltaggio |
Fra terminali non collegati |
500 V/0,5 mA/60 S |
| Tra i terminali e la struttura in metallo |
1500 V/0,5 mA/60 S | ||
| 5 | Vita elettrica | ≥10000 cicli | |
| 6 | Vita meccanica | ≥100000 cicli | |
| 7 | Temperatura operativa | -25~125℃ | |
| 8 | Frequenza operativa | Elettrico: 15 cicli Meccanico: 60 cicli |
|
| 9 | A prova di vibrazioni | Frequenza di vibrazione: 10 ~ 55 HZ; Ampiezza: 1,5 mm; Tre direzioni: 1H |
|
| 10 | Abilità di saldatura: Oltre l'80% di parte immersa saranno ricoperti di saldatura |
Temperatura di saldatura: 235±5℃ Tempo di immersione: 2~3S |
|
| 11 | Resistenza al calore della saldatura | Saldatura a immersione: 260±5℃ 5±1S Saldatura manuale: 300±5℃ 2~3S |
|
| 12 | Approvazioni di sicurezza | UL, CSA, VDE, ENEC, CE | |
| 13 | Condizioni di prova | Temperatura ambiente: 20±5℃ Umidità relativa: 65±5%RH Pressione dell'aria: 86~106KPa |
|
Filo elettrico Tongda Interruttore di alimentazione in linea micro USB Dettagli

